Sơ đồ mạch điện ht lái trợ lực điện eps của lexus 460l

Sơ đồ mạch điện ht lái trợ lực điện eps của lexus 460l

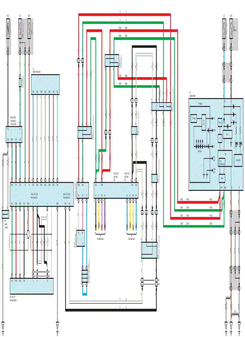
Tài liệu "Sơ đồ mạch điện ht lái trợ lực điện eps của lexus 460l" có mã là 605117, file định dạng pdf, có 1 trang, dung lượng file 57 kb. Tài liệu thuộc chuyên mục: Tài liệu chuyên ngành > Chuyên Ngành Kinh Tế > Kế Toán - Kiểm Toán. Tài liệu thuộc loại Đồng

image for page Sơ đồ mạch điện ht lái trợ lực điện eps của lexus 460l
Sơ đồ mạch điện Sơ đồ mạch điện ht lái điện ht lái đồ của Sơ đồ mạch điện ht Sơ đồ Sơ đồ lái trợ lực eps mạch trợ mạch điện ht 460l Sơ đồ mạch điện ht lái trợ lexus của lexus Sơ đồ mạch lực điện eps điện

Mã tài liệu 605117

Các chức năng trên hệ thống được hướng dẫn đầy đủ và chi tiết nhất qua các video. Bạn click vào nút bên dưới để xem.

Có thể tài liệu Sơ đồ mạch điện ht lái trợ lực điện eps của lexus 460l sử dụng nhiều loại font chữ mà máy tính bạn chưa có.
Bạn click vào nút bên dưới để tải chương trình cài đặt bộ font chữ đầy đủ nhất cho bạn.

Nếu phần nội dung, hình ảnh ,... trong tài liệu Sơ đồ mạch điện ht lái trợ lực điện eps của lexus 460l có liên quan đến vi phạm bản quyền, bạn vui lòng click bên dưới báo cho chúng tôi biết.

Tài liệu vừa xem

Sơ đồ
Sơ đồ mạch điện
Sơ đồ mạch điện ht lái
Sơ đồ mạch điện ht lái trợ
Sơ đồ mạch
Sơ đồ mạch điện ht