Tai lieu mach may

Tai lieu mach may

Tài liệu "Tai lieu mach may" có mã là 553826, file định dạng doc, có 9 trang, dung lượng file 178 kb. Tài liệu thuộc chuyên mục: Tài liệu chuyên ngành > Chuyên Ngành Kinh Tế > Kế Toán - Kiểm Toán. Tài liệu thuộc loại Đồng

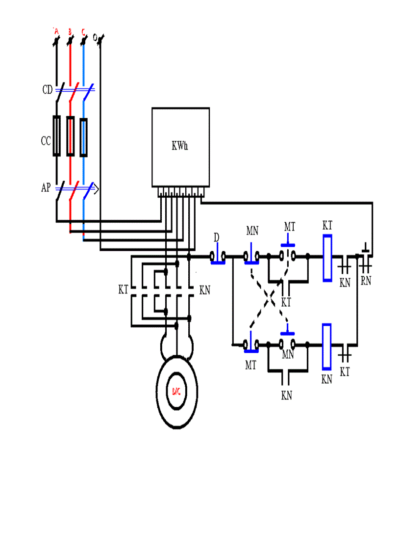
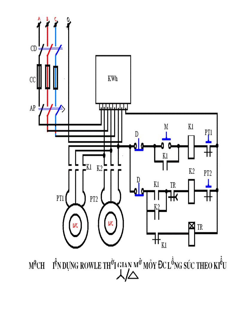
image for page Tai lieu mach may
image for page Tai lieu mach may
image for page Tai lieu mach may
image for page Tai lieu mach may
image for page Tai lieu mach may
image for page Tai lieu mach may
image for page Tai lieu mach may
image for page Tai lieu mach may
image for page Tai lieu mach may

Mã tài liệu 553826

Các chức năng trên hệ thống được hướng dẫn đầy đủ và chi tiết nhất qua các video. Bạn click vào nút bên dưới để xem.

Có thể tài liệu Tai lieu mach may sử dụng nhiều loại font chữ mà máy tính bạn chưa có.
Bạn click vào nút bên dưới để tải chương trình cài đặt bộ font chữ đầy đủ nhất cho bạn.

Nếu phần nội dung, hình ảnh ,... trong tài liệu Tai lieu mach may có liên quan đến vi phạm bản quyền, bạn vui lòng click bên dưới báo cho chúng tôi biết.

Tài liệu vừa xem