Hệ thống điều khiển số

Hệ thống điều khiển số

Tài liệu "Hệ thống điều khiển số" có mã là 86009, file định dạng docx, có 15 trang, dung lượng file 183 kb. Tài liệu thuộc chuyên mục: Luận văn đồ án > Kỹ thuật - Công nghệ > Tự động hóa. Tài liệu thuộc loại Đồng

image for page Hệ thống điều khiển số
image for page Hệ thống điều khiển số
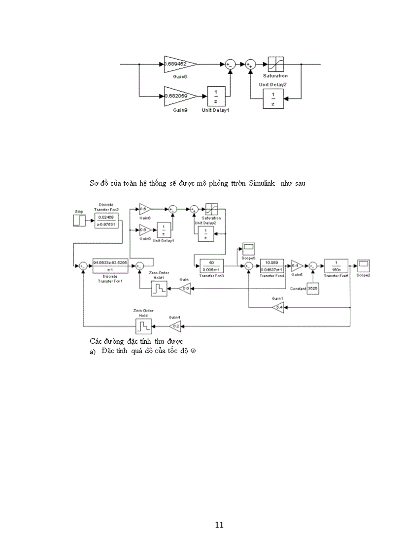
image for page Hệ thống điều khiển số
image for page Hệ thống điều khiển số
image for page Hệ thống điều khiển số
image for page Hệ thống điều khiển số
image for page Hệ thống điều khiển số
image for page Hệ thống điều khiển số
image for page Hệ thống điều khiển số
image for page Hệ thống điều khiển số
image for page Hệ thống điều khiển số
image for page Hệ thống điều khiển số
image for page Hệ thống điều khiển số
image for page Hệ thống điều khiển số
image for page Hệ thống điều khiển số

Mã tài liệu 86009

Các chức năng trên hệ thống được hướng dẫn đầy đủ và chi tiết nhất qua các video. Bạn click vào nút bên dưới để xem.

Có thể tài liệu Hệ thống điều khiển số sử dụng nhiều loại font chữ mà máy tính bạn chưa có.
Bạn click vào nút bên dưới để tải chương trình cài đặt bộ font chữ đầy đủ nhất cho bạn.

Nếu phần nội dung, hình ảnh ,... trong tài liệu Hệ thống điều khiển số có liên quan đến vi phạm bản quyền, bạn vui lòng click bên dưới báo cho chúng tôi biết.

Tài liệu vừa xem