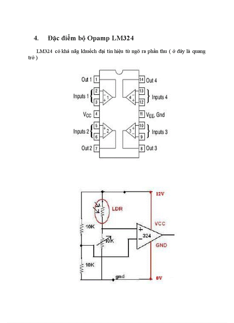
Thiết kế robot dò dường

Thiết kế robot dò dường

Tài liệu "Thiết kế robot dò dường" có mã là 249703, file định dạng docx, có 19 trang, dung lượng file 1,041 kb. Tài liệu thuộc chuyên mục: Luận văn đồ án > Kỹ thuật - Công nghệ > Kỹ thuật điện - điện tử. Tài liệu thuộc loại Đồng

image for page Thiết kế robot dò dường
image for page Thiết kế robot dò dường
image for page Thiết kế robot dò dường
image for page Thiết kế robot dò dường
image for page Thiết kế robot dò dường
image for page Thiết kế robot dò dường
image for page Thiết kế robot dò dường
image for page Thiết kế robot dò dường
image for page Thiết kế robot dò dường
image for page Thiết kế robot dò dường
image for page Thiết kế robot dò dường
image for page Thiết kế robot dò dường
image for page Thiết kế robot dò dường
image for page Thiết kế robot dò dường
image for page Thiết kế robot dò dường

Mã tài liệu 249703

Các chức năng trên hệ thống được hướng dẫn đầy đủ và chi tiết nhất qua các video. Bạn click vào nút bên dưới để xem.

Có thể tài liệu Thiết kế robot dò dường sử dụng nhiều loại font chữ mà máy tính bạn chưa có.
Bạn click vào nút bên dưới để tải chương trình cài đặt bộ font chữ đầy đủ nhất cho bạn.

Nếu phần nội dung, hình ảnh ,... trong tài liệu Thiết kế robot dò dường có liên quan đến vi phạm bản quyền, bạn vui lòng click bên dưới báo cho chúng tôi biết.

Tài liệu vừa xem