Thiết kế robot dò line

Thiết kế robot dò line

Tài liệu "Thiết kế robot dò line" có mã là 244231, file định dạng pdf, có 28 trang, dung lượng file 509 kb. Tài liệu thuộc chuyên mục: Luận văn đồ án > Kỹ thuật - Công nghệ > Kỹ thuật điện - điện tử. Tài liệu thuộc loại Bạc

image for page Thiết kế robot dò line
image for page Thiết kế robot dò line
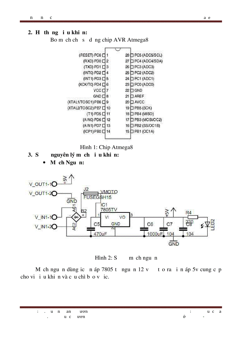
image for page Thiết kế robot dò line
image for page Thiết kế robot dò line
image for page Thiết kế robot dò line
image for page Thiết kế robot dò line
image for page Thiết kế robot dò line
image for page Thiết kế robot dò line
image for page Thiết kế robot dò line
image for page Thiết kế robot dò line
image for page Thiết kế robot dò line
image for page Thiết kế robot dò line
image for page Thiết kế robot dò line
image for page Thiết kế robot dò line
image for page Thiết kế robot dò line

Mã tài liệu 244231

Các chức năng trên hệ thống được hướng dẫn đầy đủ và chi tiết nhất qua các video. Bạn click vào nút bên dưới để xem.

Có thể tài liệu Thiết kế robot dò line sử dụng nhiều loại font chữ mà máy tính bạn chưa có.
Bạn click vào nút bên dưới để tải chương trình cài đặt bộ font chữ đầy đủ nhất cho bạn.

Nếu phần nội dung, hình ảnh ,... trong tài liệu Thiết kế robot dò line có liên quan đến vi phạm bản quyền, bạn vui lòng click bên dưới báo cho chúng tôi biết.

Tài liệu vừa xem