Xi măng Tân Quang

Xi măng Tân Quang

Tài liệu "Xi măng Tân Quang" có mã là 227789, file định dạng docx, có 10 trang, dung lượng file 224 kb. Tài liệu thuộc chuyên mục: Luận văn đồ án > Tổng hợp. Tài liệu thuộc loại Đồng

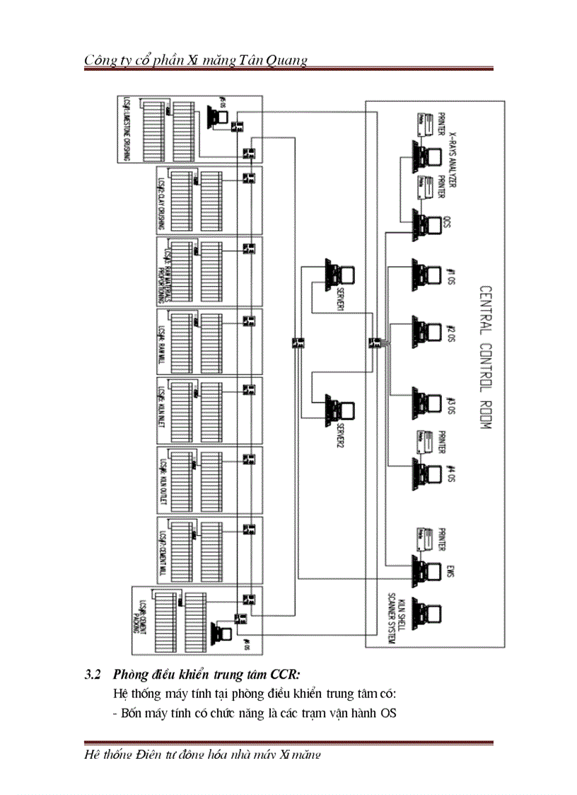
image for page Xi măng Tân Quang
image for page Xi măng Tân Quang
image for page Xi măng Tân Quang
image for page Xi măng Tân Quang
image for page Xi măng Tân Quang
image for page Xi măng Tân Quang
image for page Xi măng Tân Quang
image for page Xi măng Tân Quang
image for page Xi măng Tân Quang
image for page Xi măng Tân Quang

Mã tài liệu 227789

Các chức năng trên hệ thống được hướng dẫn đầy đủ và chi tiết nhất qua các video. Bạn click vào nút bên dưới để xem.

Có thể tài liệu Xi măng Tân Quang sử dụng nhiều loại font chữ mà máy tính bạn chưa có.
Bạn click vào nút bên dưới để tải chương trình cài đặt bộ font chữ đầy đủ nhất cho bạn.

Nếu phần nội dung, hình ảnh ,... trong tài liệu Xi măng Tân Quang có liên quan đến vi phạm bản quyền, bạn vui lòng click bên dưới báo cho chúng tôi biết.

Tài liệu vừa xem